CA-IF1169VFDT-Q1
量产
集成 LDO 和 Watchdog 的高速 CAN 系统基础芯片
CA-IF1169 为集成高速 CAN 收发器和两路 LDO 的系 统基础芯片。CAN 收发器符合 ISO 11898-2:2016 和 SAE J2284-1 到 SAE J2284-5 规定的高速 CAN(控制器局域网 络)物理层标准,可支持 5Mbit/s 的 CAN FD 通信。内 置两路 LDO,一路具有 3.3V 或 5V 输出电压,250mA 电 流的 LDO(V1),该电源可以通过外部 PNP 晶体管进行 电流扩展,提高输出电流能力,给系统的微控制器或其 他负载供电;另一路具有 5V 输出电压,100mA 电流的LDO(V2),给 CAN 收发器和其他在板负载供电。 CA-IF1169 产品具有低功耗的待机和休眠模式,通 过 ISO 11898-2:2016 定义的 CAN 唤醒序列进行远程唤醒 (WUP)或者选择性唤醒帧(WUF)进行远程唤醒; 通过 WAKE 管脚进行本地唤醒。产品家族支持同 3.3V到 5V 的微控制器直接通信,SPI 接口用于收发器控制 和读取状态信息。
CA-IF1169 产品设计遵循功能安全完整的开发流程,集成模拟电路 ABIST、关键接口电平的监测功能,以及专用LIMP 输出管脚指示系统故障,可引导系统进入跛行模式等功能安全相关功能。符合 ISO26262 规定的 ASIL-B 标准、支 持客户产品获得 ASIL-B 认证。
-
特性
符合 ISO 11898-2:2016 和 SAE J2284-1 到 SAE J2284- 5 标准
产品设计遵循功能安全完整的开发流程,符合 ASIL-B 标准、支持客户产品获得 ASIL-B 认证
支持 5Mbit/s 的 CAN FD 数据传输
支持选择性唤醒 CAN 局域网络中的部分节点
支持±42V 的总线短路保护,适用于 12V 电池供电 系统
具有自主的总线偏置
内置两路 LDO,分别是
3.3V 或 5V 输出电压,250mA 电流的 LDO(V1),该电源可以通过外部 PNP 晶体管进行电流扩展,提高输出电流能力,给系统的微控制器或其他负载供电
5V 输出电压,100mA 电流的 LDO(V2),给CAN 收发器和其他在板负载供电高级 ECU 电源管理系统
休眠模式下超低功耗,典型值为 12.8uA
通过 ISO 11898-2:2016 定义的 CAN 唤醒序列进行远程唤醒(WUP)或者选择性唤醒帧(WUF)进行远程唤醒
选择性唤醒支持 50 kbit/s, 100 kbit/s, 125 kbit/s, 250 kbit/s, 500 kbit/s 和 1 Mbit/s 速率
通过 WAKE 管脚进行本地唤醒
本地唤醒可以被关闭以降低功耗
支持唤醒源识别保护和诊断特性
16-,24-或者 32-bit SPI 用于配置,控制和诊断
驱动器显性超时保护及诊断
可配的看门狗定时器
在看门狗定时器超时模式下,循环唤醒
过温报警和关断
BAT 管脚欠压保护和恢复
冷启动诊断(通过 PO 和 NMS 位)
V1 和 V2 过压/欠压检测和保护
供电管脚、WAKE 管脚和 CAN 总线管脚可以承受 ISO 7637-3 中定义的脉冲 1,2a,3a 和 3b
先进的系统和收发器中断处理
集成模拟电路 ABIST、关键接口电平的 stuck 监 测功能
专用 LIMP 输出管脚指示系统故障,可引导系统进入跛行模式
具有多次在线调试的配置能力;两次烧写能力的非易失性存储器。针对不同应用,可以配置不同的上电和复位行为,以及系统基础芯片工作模式的配置结温范围
-40°C 至 150°C
符合面向汽车应用的 AEC-Q100 Grade 1 标准
可提供 DFN20 封装(wettable flank)
-
应用
-
车身电子
-
车载照明系统
-
智能辅助驾驶系统
-
新能源汽车热管理系统
-
车载传感器
-
车载娱乐系统
-
汽车动力系统
-
-
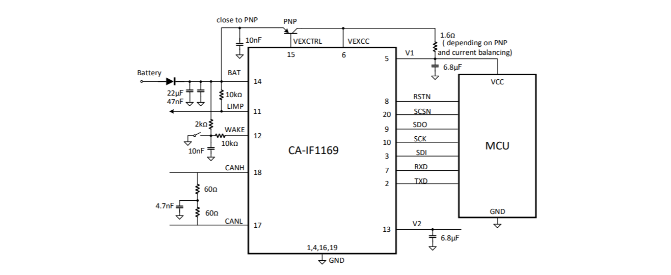
简化通道结构图
-
技术文档
文档名称
文件种类
更新日期
-
文件种类: 规格书
更新日期: 2025.07.21
-